VERBINDUNGSTECHNIK  >  SYSTEM AUMO-B  >  VERBINDUNGSELEMENTE  >  WINKEL  >  WINKEL AB
WINKEL AB
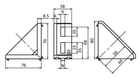
40X80 SET - LANGLOCH ALUFARBIG LACKIERT
Artikelnummer: A030342
Produktinformationen
Hersteller: AUMO GmbH
System: AUMO-B
zur rechtwinkligen Verbindung von Profilen und Flächenelementen; die offene Seite des Winkels kann durch die Abdeckkappe verschlossen werden

Montaget:
4 x Hammerschrauben - Nut 10 - M8 x 25,
4 x Bundmuttern M8

Material:
Winkel: Aluminiumdruckguss, alufarbig pulverbeschichtet
Montageset: Stahl, verzinkt
Preis nach Anmeldung sichtbar

Verkaufseinheit: Stck
Anzahl